PRODUCTS THAT INTEGRATES CONTROL INTO YOUR PHONE

Smart Solutions for Your Systems
Designing electronics tailored to your needs.
Custom IoT devices that connect and simplify your world.
Reliable and scalable solutions for smart environments.
Seamless integration with your existing systems.
LoRa + Solar Cell






Modular IOT Platform
Drawing Schematics, design control systems, Electrical loggers
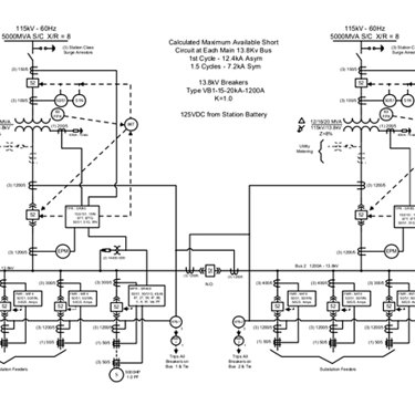
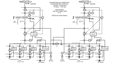
Designing Electrical Systems
Soil Sensor( PH, Moisture, Temp)
Agriculture and Industrial IOT Platform












IP67 IOT Enclosure
Modular BMS
Small Footprint enables easy integration
Modular IOT Platform


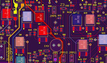
PCB Design





Smart Solutions for Your Systems
Designing electronics tailored to your needs.
IoT Devices
Custom IoT devices that connect and simplify your world.
Reliable Inverter and solar panel installation
Seamless integration with your existing systems.
PCB Design
Electrical Schematics Design






Design Electronics Tailored for your application
Electrical design
Drawing Schematics, design control systems, Electrical loggers
Designing Electrical Systems




Automation
Sensor Interface & Transmitters
Circuit design


Complete IOT Solution
Solar chargers
You didn’t come this far to stop
Inverter installation
Solar Cell Installation
Enclosure fabrication and Installation
Smart Solutions, Real Impact
We design and deliver IoT and electrical systems that simplify your world and power your projects.
Reliable tech that truly works.
A.Mozoun
"
Our Services
Tailored IoT and electrical solutions designed to fit your needs perfectly.




IoT Devices
Creating smart, connected devices that bring convenience and control to your fingertips.
System Design
Crafting reliable electronic and electrical systems tailored to your project goals.
Stay Connected
Get updates on our latest IoT solutions




